SUPER8OPN-CRNB

SUPER8OPN-CRNB
SUPER8OPN-CRNB

直線軸承, 僅滾珠襯套, 超級, 0.5 英寸, 開口型, 自調心, 可調節, 尼龍滾珠, 耐腐蝕; 配合使用 0.5 英寸 直徑 L級 連續支撐應用中的軸


  • Super滾珠襯套軸承20多年來一直是自對準直線軸承的行業標桿。
  • 除了負載能力明顯增強,Super滾珠襯套軸承還有自調整、重量輕、摩擦系數低等特點。
  • 耐磨損、工程塑料保持器和外套管可降低在關鍵的高速應用中的慣性和噪音。
  • 徑向浮動軸承板。當安裝在可調節外殼中時,Super滾珠襯套軸承可調節到特定直徑配合,實現精確和可重復的運動。
  • 用于L級導向軸
  • 該軸承的承載能力和運行壽命分別是傳統直線軸承的3倍和27倍。

Dimensions

dimensions
尺寸價值
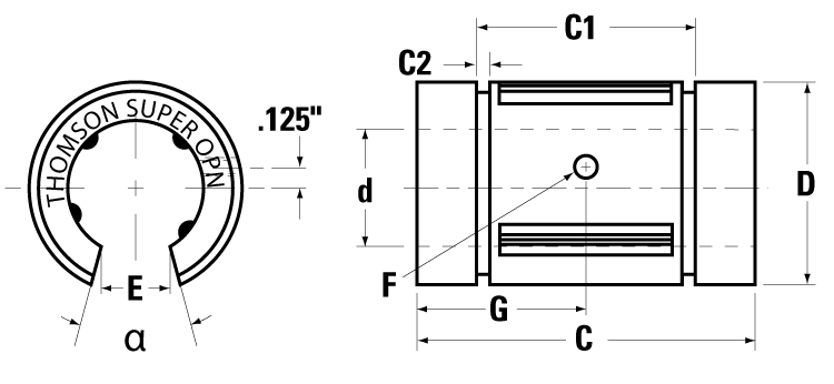
[Alpha]30 °
[C] 軸向長度1.230 / 1.250 英寸 
[C1]1.012 / 1.032 英寸 
[C2] Min0.05 英寸
[D] Housing Bore recomended for Adjustable housing0.8750 / 0.8760 in 
[D] Recommended Housing Bore0.8750 / 0.8755 in 
[d] 軸,標稱直徑0.5 英寸
[D],標稱0.875 英寸
[E]0.31 英寸
[F] Retention Hole Dia0.14 英寸
[G]0.63 英寸

Specifications

Specifications價值
Number of Ball Circuits
Temperature Max185 °F
UPC編號662486273677 
Weight0.04 lb
材質鋼;塑料 
封閉/開放/可調節開口型 
可調節(不可調節 = 空白)可調節 
耐腐蝕選項耐腐蝕 
尼龍滾珠或者雙尼龍滾珠尼龍滾珠 
用于軸系L級 
自對準自調心 

Performance

performance graphic
performance graphic
performance graphic
Performance價值
負載能力,動態23 磅力

Get Quote

*Please fill out the information below so we can best assist you:

您想定期收到湯姆森電子郵件更新,包括應用故事,在線培訓的機會,新產品信息和鏈接在線設計工具。