SP24-17A16-04

SP24-17A16-04
SP24-17A16-04

執行器, Electrak 1, 24 直流電壓伏特, 340 N, 115.1 毫米, 電位計, Cable length 2 英寸, Connector (Motor), Flying Leads (Feedback), 7 毫米每秒 移動速度 @ 滿載


  • 非常緊湊,重量輕
  • 電位計反饋
  • 耐腐蝕外殼
  • 自鎖梯形螺紋絲杠驅動系統
  • 免維護
  • 非常適合用于替代類似尺寸的氣缸和液壓缸

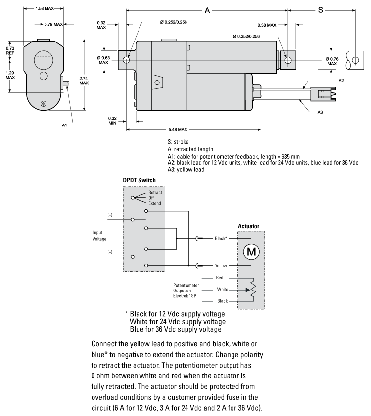
Dimensions

dimensions
尺寸價值
[A]254.3 毫米
[S]115.1 毫米

Specifications

Specifications價值
Anti-rotation是 
Brake無(自鎖) 
Cable length2 英寸
ConnectionConnector (Motor), Flying Leads (Feedback) 
Connector TypePackard Electric Pack-Con male 8911773 with terminal 6294511 
End Play, Max0.036 英寸
Manual Override否 
Motor ControlNone 
Protection, End-of-strokeElectronic 
Protection, OverloadNone 
Temperature Max150 °F
Temperature Min-15 °F
Weight1.3 lb
材質銅;鋼;鋅;鋁合金;塑料 
電壓24 直流電壓伏特 
額定行程100 毫米
反饋電位計 
防護等級IP66 
絲杠類型愛克米螺桿 

Performance

performance graphic
performance graphic
performance graphic
Performance價值
Duty Cyle25 %
Restraining Torque0 in-lbs
負載,動態340 N
負載,最大靜態1300 N
移動速度 @ 空載14 毫米每秒
移動速度 @ 滿載7 毫米每秒

Get Quote

*Please fill out the information below so we can best assist you:

您想定期收到湯姆森電子郵件更新,包括應用故事,在線培訓的機會,新產品信息和鏈接在線設計工具。