RAB-60B24-M40

RAB-60B24-M40
RAB-60B24-M40

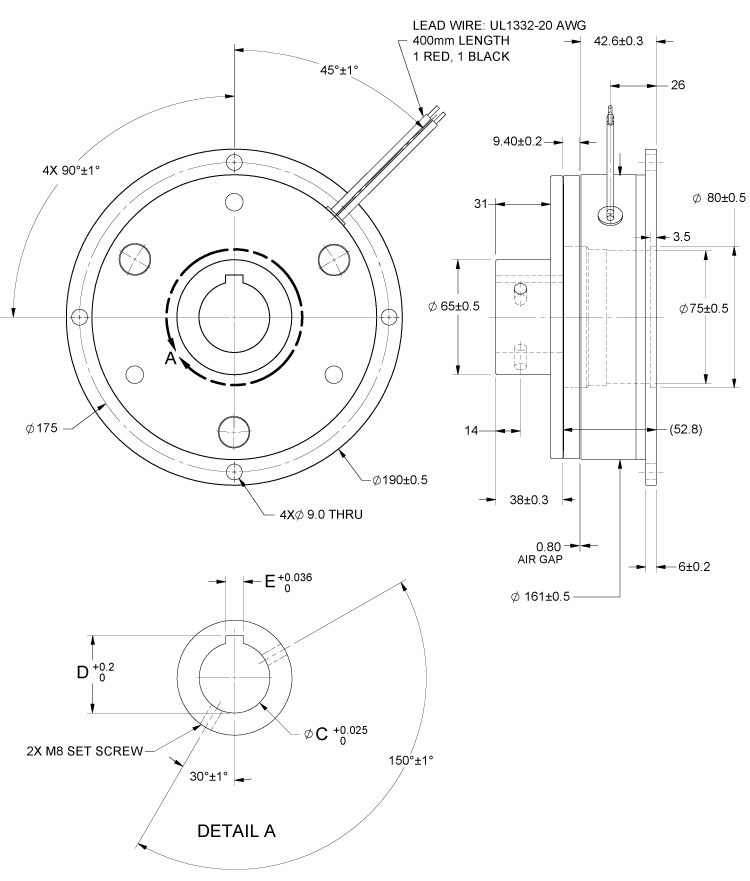
Brake, 摩擦, RAB-60, 190 毫米 Outside Diameter, 40.000 / 40.025 毫米 Bore, 24 Vdc, 140.0 Nm 靜態力矩


  • Red lead wire "+", Black lead wire "-"
  • Permanent magnet poweroff brake series that provides zero backlash stopping and/or holding of a load in the absence of power.
  • While the field (electromagnet) is fixed and prevented from rotating, the output hub assembly is secured to the shaft.
  • In the absence of power, the fixed and rotating components are engaged, thus stopping and/or holding the load.
  • When the coil is energized, rotating components are disengaged, thus allowing the shaft to freely rotate.
  • RoHS, REACH and UL Class F compliant.
  • Static or dynamic engagement.

Dimensions

dimensions
尺寸價值
[C] Hub ID Ø, Min/Max40.000 / 40.025 毫米 
[D] 最大值43.8 mm 
[E] 最大值10 mm 

Specifications

Specifications價值
(CB) [A] ODHolding 
(CB) [A] ODBrake 
(CB) [A] OD60 
Power, Max50 W
Voltage24 Vdc 
Weight5.9 kg
標稱電阻11.5 Ω
材質鋼  
拋光拋光 

Performance

Performance價值
靜態力矩140 Nm

Get Quote

*Please fill out the information below so we can best assist you:

您想定期收到湯姆森電子郵件更新,包括應用故事,在線培訓的機會,新產品信息和鏈接在線設計工具。