PMB-50B90-M15-MRD

PMB-50B90-M15-MRD
PMB-50B90-M15-MRD

Brake, 摩擦, Power-off Brake, PMB系列-50, 5.000 英寸 Outside Diameter, 15.0 毫米 Bore, 90 Vdc, 142 in-lbs 靜態力矩, Manual Release & Dust Cover


  • PMB系列是一種斷電、直流、彈簧組制動器,為眾多應用提供了一種低成本、多功能的替代解決方案。該系列具有卓越的扭矩尺寸比。
  • 力矩調整環使得力矩能夠根據應用變化。
  • 轉子組件上的專用摩擦材料可大幅度提升最大制動性能并延長使用壽命。
  • 制動器可以方便地安裝在電機或者機架上。制動器內包括安裝五金件。簡單的花鍵驅動輪轂可通過提供的固定螺釘和鍵槽安裝到軸上。
  • 制動器外殼的設計可提供卓越的散熱效果。
  • 全密封線圈滿足“F”級絕緣的最低要求。
  • UL認證部件。
  • 具有防振功能的花鍵驅動輪轂可實現安靜運行。

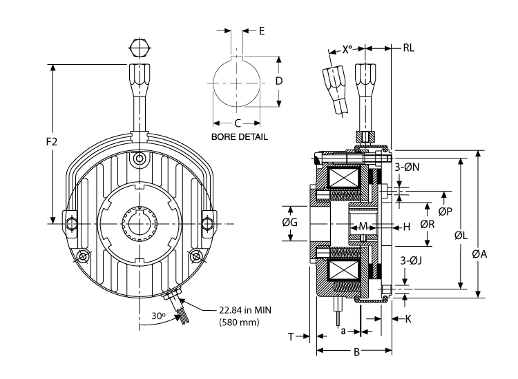
Dimensions

dimensions
尺寸價值
[a]0.008 英寸
[A]5 英寸
[B]2.244 英寸
[C] Hub ID Ø, Min/Max15.0 毫米 
[D] 最大值17.3 mm 
[E] 最大值5 mm 
[F2]5.47 英寸
[G]1.378 英寸
[H]0.492 英寸
[J]0.256 英寸
[J] 數量
[K]0.346 英寸
[L]4.409 英寸
[M]0.787 英寸
[N]0.256 in 
[P1]2.205 英寸
[R]1.575 英寸
[RL]1.28 英寸
[T]0.157 英寸
[X]

Specifications

Specifications價值
(CB) [A] ODManual Release & Dust Cover 
(CB) [A] ODHolding 
(CB) [A] ODBrake 
(CB) [A] OD50 
Voltage90 Vdc 
Weight7.5 lb
材質鋼  

Performance

Performance價值
RPM, Max3000 轉每分
靜態力矩142 in-lbs

Get Quote

*Please fill out the information below so we can best assist you:

您想定期收到湯姆森電子郵件更新,包括應用故事,在線培訓的機會,新產品信息和鏈接在線設計工具。