MGZ3K32207-127237-49

MGZ3K32207-127237-49
MGZ3K32207-127237-49

升降柱, Z3, 滾珠絲桿 Drive, 棱柱 Guide, 無電機, 110 毫米 Stroke, 20 毫米 Travel Per Shaft Rev, 7500 N, 833.33 Maximum Linear Speed


  • Thomson 升降柱與Thomson業界領先的直線執行器系列一樣,在設計方面都體現出同樣的精心和專業。它們具有節省空間、現代化設計、高性能以及安全運行的特點。LC系列的終生免維護、易于安裝和輕巧設計的特點,使其成為家庭、醫療和工作場所應用的首選。
  • 現代化、美觀的外型設計。無需保護罩或蓋板。
  • 高負載能力,運行平穩安靜。
  • 卓越的擴展回縮率。

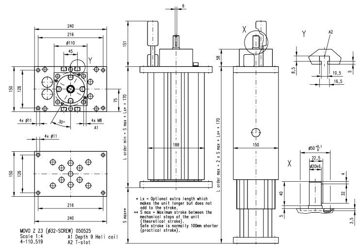
Dimensions

dimensions
尺寸價值
[L]127 毫米
[S]110 毫米
Travel Per Shaft Rev20 毫米

Specifications

Specifications價值
Drive滾珠絲桿 
Guide棱柱 
Profile size (width × height)188 x 150 mm 
Weight27.6 kg
電壓無電機 
額定行程110 毫米
反饋無反饋 

Performance

Performance價值
Input speed, maximum2500 轉每分
負載,動態7500 N

Get Quote

*Please fill out the information below so we can best assist you:

您想定期收到湯姆森電子郵件更新,包括應用故事,在線培訓的機會,新產品信息和鏈接在線設計工具。