MBRP-19B24-M7

MBRP-19B24-M7
MBRP-19B24-M7

Brake, 摩擦, Metric Power off Brake, MBRP系列-19, 47 毫米 Outside Diameter, 7 毫米 Bore, 24 Vdc, 0.50 Nm 靜態力矩


  • MBRP系列是斷電、直流、彈簧組制動器,是適合眾多應用的低成本、多功能替代解決方案。該系列有15、19、22、26和30共5種機架尺寸,且擁有卓越的扭矩尺寸比。此外,作為通用產品系列,還提供許多額外功能。
  • 轉子組件上的專用摩擦材料可大幅度提升最大制動性能并延長使用壽命。
  • 制動器可以方便地安裝在電機或者機架上。簡單的方形驅動輪轂可通過提供的固定螺釘和鍵槽安裝到軸上。
  • 全密封線圈滿足“F”級絕緣的最低要求。
  • UL認證部件
  • 具有防振功能的方形驅動輪轂可實現安靜運行。
  • RoHS認證

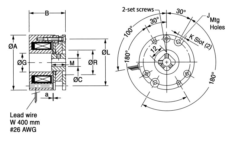
Dimensions

dimensions
尺寸價值
[A]47 毫米
[B]32 毫米
[C] Hub ID Ø, Min/Max7 毫米 
[G]16 毫米
[J]7 毫米
[J]3.40 毫米
[J] 數量
[L]40 毫米
[M]12 毫米
[R]21 毫米

Specifications

Specifications價值
(CB) [A] ODHolding 
(CB) [A] ODBrake 
(CB) [A] OD19 
Voltage24 Vdc 
Weight0.14 kg
材質鋼  

Performance

Performance價值
靜態力矩0.5 Nm

Get Quote

*Please fill out the information below so we can best assist you:

您想定期收到湯姆森電子郵件更新,包括應用故事,在線培訓的機會,新產品信息和鏈接在線設計工具。