MBF-30U24-M20L

MBF-30U24-M20L
MBF-30U24-M20L

Brake, 摩擦, Metric Brake, MBF系列-30, 80 毫米 Outside Diameter, 20 毫米 Bore, 24 Vdc, 11 Nm 靜態力矩, Long Hub


  • 這些裝置適用于小批量、大批量和高批量應用。
  • 零側隙設計
  • 靜態或動態嚙合
  • 安裝簡單
  • 高效節能
  • 經濟成本
  • 可用“現狀”或定制
  • RoHS認證

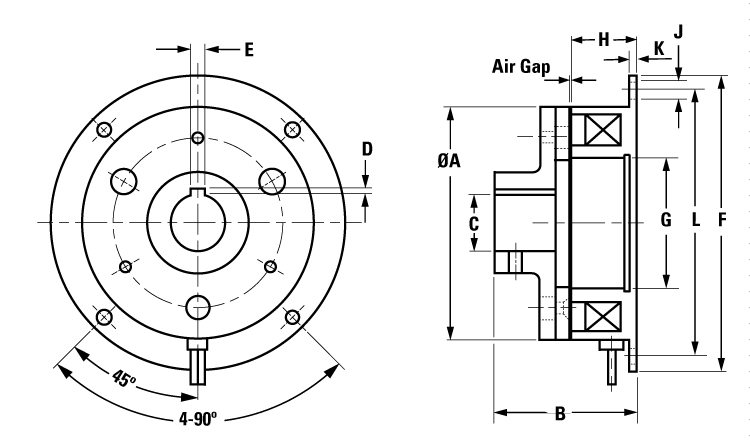
Dimensions

dimensions
尺寸價值
[A]80 毫米
[B]44.8 毫米
[C] Hub ID Ø, Min/Max20 毫米 
[D] 最大值2.5 mm 
[E] 最大值6 mm 
[F]100 毫米
[G]42 毫米
[H]20 毫米
[J]6 毫米
[K]2.6 毫米
[L]90 毫米
[N]31 毫米

Specifications

Specifications價值
(CB) [A] ODLong Hub 
(CB) [A] ODHolding 
(CB) [A] ODBrake 
(CB) [A] OD30 
Voltage24 Vdc 
Weight0.58 kg
材質鋼  

Performance

Performance價值
靜態力矩11 Nm

Get Quote

*Please fill out the information below so we can best assist you:

您想定期收到湯姆森電子郵件更新,包括應用故事,在線培訓的機會,新產品信息和鏈接在線設計工具。