MBF-26U24-M15-S

MBF-26U24-M15-S
MBF-26U24-M15-S

Brake, 摩擦, Metric Brake, MBF系列-26, 63 毫米 Outside Diameter, 15 毫米 Bore, 24 Vdc, 5.5 Nm 靜態力矩, Short Hub


  • 這些裝置適用于小批量、大批量和高批量應用。
  • 零側隙設計
  • 靜態或動態嚙合
  • 安裝簡單
  • 高效節能
  • 經濟成本
  • 可用“現狀”或定制
  • RoHS認證

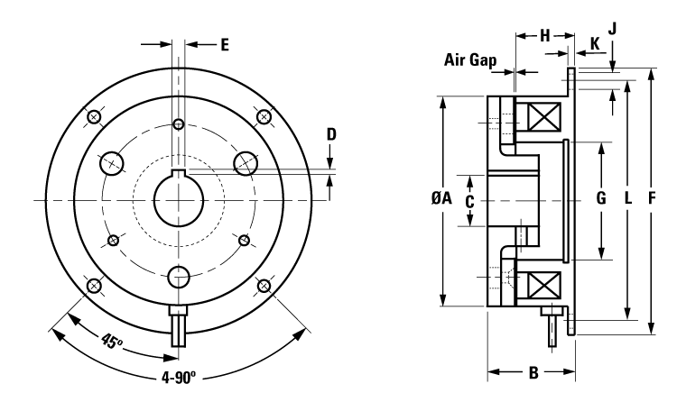
Dimensions

dimensions
尺寸價值
[A]63 毫米
[B]25.5 毫米
[C] Hub ID Ø, Min/Max15 毫米 
[D] 最大值2 mm 
[E] 最大值5 mm 
[F]80 毫米
[G]35 毫米
[H]18 毫米
[J]5 毫米
[K]2.1 毫米
[L]72 毫米

Specifications

Specifications價值
(CB) [A] ODShort Hub 
(CB) [A] ODHolding 
(CB) [A] ODBrake 
(CB) [A] OD26 
Voltage24 Vdc 
Weight0.32 kg
材質鋼  

Performance

Performance價值
靜態力矩5.5 Nm

Get Quote

*Please fill out the information below so we can best assist you:

您想定期收到湯姆森電子郵件更新,包括應用故事,在線培訓的機會,新產品信息和鏈接在線設計工具。