M1-D012-0100-A03-LN

M1-D012-0100-A03-LN
M1-D012-0100-A03-LN

執行器, M-Track, 12 直流電壓伏特, 100 磅力, Connector


  • Internal limit switches automatically shut off the unit at end of stroke.
  • Optional potentiometer can provide positional location feedback.
  • Rod is non rotating during operation, can be rotated for mounting purposes.

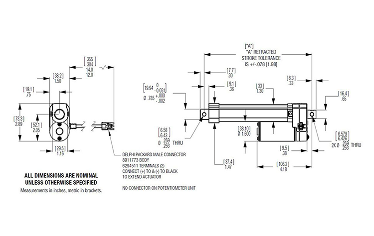
Dimensions

dimensions

Specifications

Specifications價值
Anti-rotation否 
Brake無(自鎖) 
ConnectionConnector 
Connector TypePackard Electric Pack-Con male 8911773 with terminal 6294511 
Protection, End-of-strokeElectronic 
Protection, OverloadNone 
Temperature Max-20 °F
Temperature Min150 °F
Temperature monitoring是 
UPC編號884107291529 
Weight2 lb
材質銅;鋼;鋅;鋁合金;塑料 
電壓12 直流電壓伏特 
防護等級IP65/IP69K 
絲杠類型愛克米螺桿 

Performance

Performance價值
Duty Cyle25 %
負載,動態100 磅力
負載,最大靜態300 磅力

Get Quote

*Please fill out the information below so we can best assist you:

您想定期收到湯姆森電子郵件更新,包括應用故事,在線培訓的機會,新產品信息和鏈接在線設計工具。