FNYBUFB08LLS

FNYBUFB08LLS
FNYBUFB08LLS

直線軸承, Bushing, Pillow Block, FluoroNyliner, 0.5 英寸, 閉合型, 非自調心, 補償內徑, 耐腐蝕, 簡易密封; 配合使用 0.5 英寸 直徑 L級 端部支撐應用中的軸


  • 用于末端支撐軸的封閉軸承座。
  • 用于L級碳鋼或不銹鋼導向軸。
  • 每個軸承座中都有出廠安裝的Fluoronyliner襯套軸承
  • 用于末端支撐軸的閉合型軸承座。

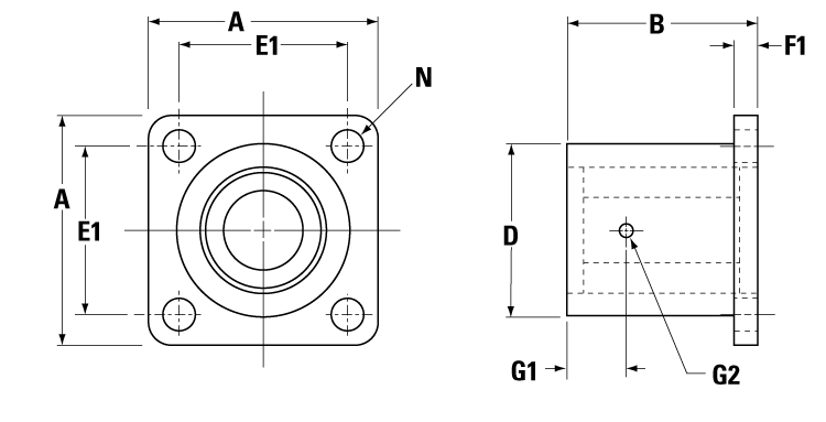
Dimensions

dimensions
尺寸價值
[A]1.63 英寸
[B]1.69 英寸
[D] 殼體直徑1.25 英寸
[d] 軸,標稱直徑0.5 英寸
[E1]1.25 英寸
[E1] 公差± 0.010 in 
[F1]0.25 英寸
[G1]0.72 英寸
[G2] 潤滑接口Oil Lubricant Fitting 
[N]0.19 in 

Specifications

Specifications價值
PV Value10000 lb/in² ft/min
Temperature Max550 °F
UPC編號662486108719 
Weight0.27 lb
材質鋁合金;TEP 950 
單/雙單 
封閉/開放/可調節閉合型 
刮刷器,密封件簡易密封 
耐腐蝕選項耐腐蝕 
用于軸系L級 
自對準非自調心 

Performance

Performance價值
負載能力,靜態970 磅力

Get Quote

*Please fill out the information below so we can best assist you:

您想定期收到湯姆森電子郵件更新,包括應用故事,在線培訓的機會,新產品信息和鏈接在線設計工具。