DISK131

DISK131
DISK131

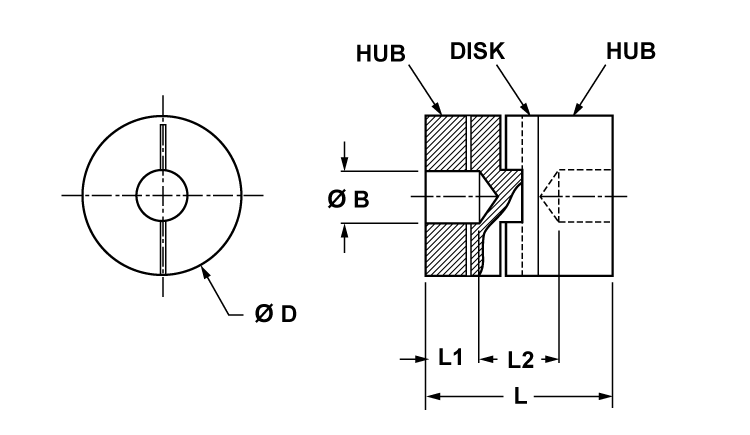
DISK 1/2" BORE 1 5/16" OD


  • For use between 2 "HUB"s to make a complete coupler

Dimensions

dimensions

Specifications

Specifications價值

Get Quote

*Please fill out the information below so we can best assist you:

您想定期收到湯姆森電子郵件更新,包括應用故事,在線培訓的機會,新產品信息和鏈接在線設計工具。