BF-26U24-E08

BF-26U24-E08
BF-26U24-E08

Brake, 摩擦, Power On brake, BF系列-26, 2.63 英寸 Outside Diameter, 0.5000 英寸 Bore, 24 Vdc, 80 in-lbs 靜態力矩


  • 電磁加電制動器提供了一種停止和/或保持負載的高效、可電氣切換的方法。現場(電磁)組件通過法蘭被固定和防止旋轉,電樞組件被固定在軸上。當線圈通電時,電樞接合固定磁場(電磁)組件的摩擦表面,從而停止和/或保持負載。
  • 靜態或動態嚙合

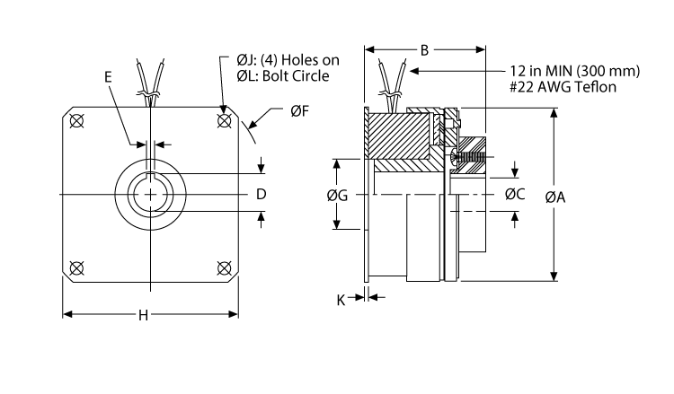
Dimensions

dimensions
尺寸價值
[A]2.63 英寸
[B]1.84 英寸
[C] Hub ID Ø, Min/Max0.5000 英寸 
[D] 最大值.564 in 
[E] 最大值.125 in 
[F]3.499 英寸
[G]1.06 英寸
[H]2.63 英寸
[J].187 英寸
[K]0.06 英寸
[L]3.13 英寸

Specifications

Specifications價值
(CB) [A] ODHolding 
(CB) [A] ODBrake 
(CB) [A] OD26 
Voltage24 Vdc 
Weight1.2 lb
材質鋼  
拋光未拋光 

Performance

Performance價值
靜態力矩80 in-lbs

Get Quote

*Please fill out the information below so we can best assist you:

您想定期收到湯姆森電子郵件更新,包括應用故事,在線培訓的機會,新產品信息和鏈接在線設計工具。