6715210204

6715210204
6715210204

直線運動單元, ENCODER IG602 24V 600 P/R


  • The IG602 encoders come with mounting screws but no coupling or connector. To be able to mount the encoder to the unit, the unit must have a shaft for encoders.
  • Supply Voltage 10-30 Vdc, Max load current 0.2 A, Operating distance 2mm.
  • The encoders can also be ordered mounted to the unit from factory. See ADG encoder option kit
  • Cable not included

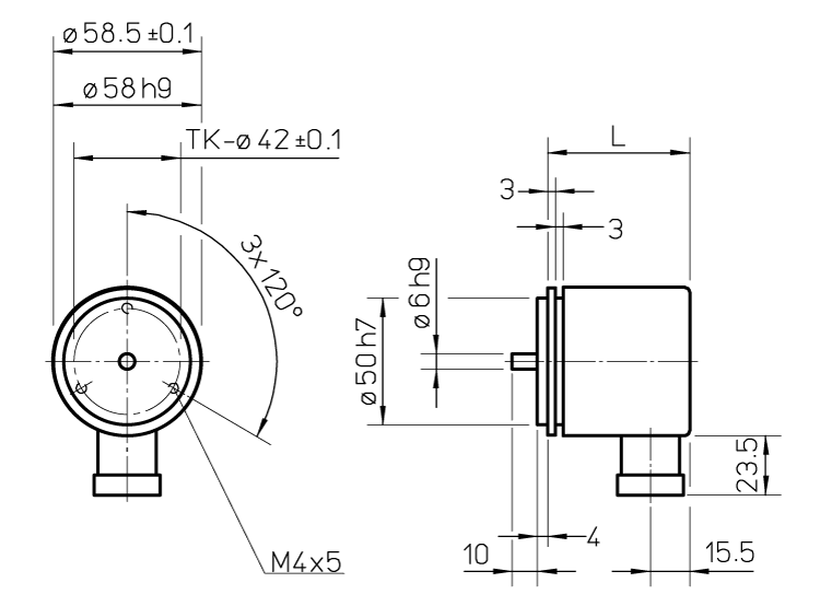
Dimensions

dimensions
尺寸價值
[L]56 毫米

Specifications

Specifications價值
Weight0.36 kg

Get Quote

*Please fill out the information below so we can best assist you:

您想定期收到湯姆森電子郵件更新,包括應用故事,在線培訓的機會,新產品信息和鏈接在線設計工具。