521U15ARL1500

521U15ARL1500
521U15ARL1500

方形導軌, 500 Series 滾珠 導軌, 1500 毫米 Long, 尺寸: 15 毫米, 超高精密 牌號, A 類型, 鋼 , X=60 毫米


  • A型 - 螺栓從上到下
  • Straighter rails through advanced grinding technologies.
  • Simple installation and greater accuracy with joint-free rails up to 6 meters.
  • 通過專利插件循環滾道和優化尺寸實現平穩、安靜的運動。

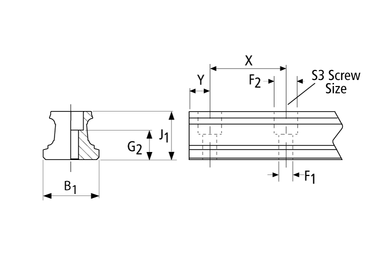
Dimensions

dimensions
尺寸價值
[B1]15 毫米
[F1]4.5 毫米
[F2]8 毫米
[G2]9.5 毫米
[J1]15.7 毫米
[S3]M4 
[X] Dim60 毫米
[X] 尺寸30 毫米
[X] 尺寸30 毫米
長度1500 毫米 

Specifications

Specifications價值
Temperature Max80 °C
Temperature Min-40 °C
UPC編號662486794783 
Weight2.1 kg
材質鋼  
導軌尺寸(標稱)15 毫米
滾珠/輥子/保持架滾珠 
滑塊/導軌/組件導軌 
類型名稱A - 標準 
牌號超高精密 

Get Quote

*Please fill out the information below so we can best assist you:

您想定期收到湯姆森電子郵件更新,包括應用故事,在線培訓的機會,新產品信息和鏈接在線設計工具。