318-17-028

318-17-028
318-17-028

Clutch/Brake, CB8CW115AC35.0H9B1STAO, 扭簧, Solenoid Operated, Long Life, Super CB-6, CW Rotation, 輪轂輸入, 20.000 / 20.052 毫米 Bore, 115 Vac, 500 in-lbs 靜態力矩, Anti-overrun Spring


  • Super CB系列離合器和電磁制動器組合通過連續的交替電源,可精確地開啟、停止負載驅動。
  • CB離合器可在單相交流或直流脈沖下,轉速最高達到750 RPM(取決于尺寸)時在±½°范圍內(非累積)停止負載
  • 可調節控制止動環提供簡單和精確的輸出停止位置設定
  • Super CB單元可在電磁線圈關閉時鎖定兩個方向的負載,因此可消除負載超程或欠程
  • 防過載功能可防止輸出運行速度大于輸入
  • 滾子軸承無需磨損調節
  • 最快可在3毫秒內施加負載,并在1.5毫秒內停止負載
  • 直接從標準CB系列改造
  • RoHS認證

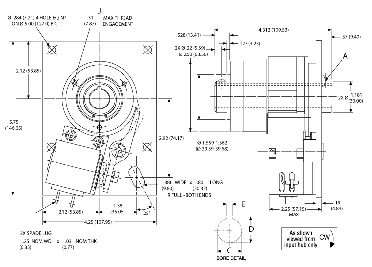
Dimensions

dimensions
尺寸價值
[A]2x M5 x 0.8 x 5.0 mm Lg. Hex Skt. Set Screw 
[C] Hub ID Ø, Min/Max20.000 / 20.052 毫米 
[D] 最大值22.800 / 22.900 mm 
[E] 最大值5.985 / 6.015 mm 
[J]3x M6 x 1.0 holes on 52.38 mm BC 

Specifications

Specifications價值
(CB) [A] ODAnti-overrun Spring 
(CB) [A] OD輪轂輸入 
(CB) [A] ODIndexing 
(CB) [A] ODClutch/Brake 
(CB) [A] OD
(CB) [A] OD60 Hz
Voltage115 Vac 
Weight3.2 kg
旋轉方向CW 

Performance

Performance價值
RPM, Max500 轉每分
靜態力矩63 磅力
靜態力矩45 ms
靜態力矩500 in-lbs
靜態力矩300 in-lbs
靜態力矩1.718 lb-in²
靜態力矩300 in-lbs

Get Quote

*Please fill out the information below so we can best assist you:

您想定期收到湯姆森電子郵件更新,包括應用故事,在線培訓的機會,新產品信息和鏈接在線設計工具。