2HXYP10-MS25

2HXYP10-MS25
2HXYP10-MS25

直線運動單元,


  • Can be used to mount one unit to another to create a Multi axis assembly

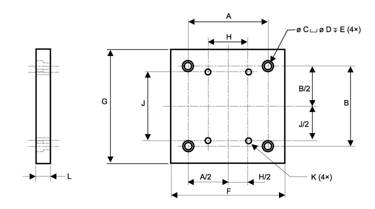
Dimensions

dimensions
尺寸價值
[A]70 毫米
[B]70 毫米
[C]5.5 毫米
[D]9 毫米
[E]6 毫米
[F]100 毫米
[G]100 毫米
[H]42 毫米
[J]42 毫米
[K]M3 x 0.5 - 6H 
[L]12.7 毫米

Specifications

Specifications價值
Use with2HB10 to MS25 

Get Quote

*Please fill out the information below so we can best assist you:

您想定期收到湯姆森電子郵件更新,包括應用故事,在線培訓的機會,新產品信息和鏈接在線設計工具。