206-10-059

206-10-059
206-10-059

Clutch, PSI6SHICW1.00B4ST, 扭簧, Mechanically Actuated Clutch, 機械驅動,扭簧離合器-6, 單圈, CW Rotation, 輪轂輸入, 1.0005 / 1.0025 英寸 Bore, 4 Stop, Mechanical Only, 500 in-lbs 靜態力矩


  • PSI系列離合器代表了最基本的扭簧式離合器設計。作為啟停或單旋轉離合器,PSI系列離合器可由外部模塊或者釋放止動環簡單地驅動。作為簡單的超越離合器,PSI系列提供與電源同向的負載正向掛接,但是當輸入電源降低、停止或反向時,允許自由過速轉動。
  • 所有裝置都提供輪轂輸入/軸輸出或者相反。PSI系列離合器設計用于需要直接機械控制的應用,性能可靠、簡單易用、成本低。
  • RoHS認證
  • 機械驅動離合器
  • 自潤滑,免維護

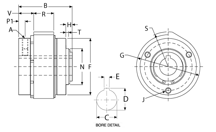
Dimensions

dimensions
尺寸價值
[A]0.25 in Dia. 
[B]2.312 英寸
[C] Hub ID Ø, Min/Max1.0005 / 1.0025 英寸 
[F]2.437 英寸
[G]2.75 英寸
[H]0.27 英寸
[J]#1/4-20 x 1/2 DP 3 on 2.062 BC Max. Thread Engage Free Hub 0.312 
[N]1.559-1.562 in 
[P1]0.28 英寸
[R]0.87 英寸
[S]1.5 英寸
[T]0.12 英寸
[V]0.63 英寸

Specifications

Specifications價值
(CB) [A] OD輪轂輸入 
(CB) [A] ODIndexing 
(CB) [A] ODClutch 
(CB) [A] OD
VoltageMechanical Only 
Weight2.6 lb
停止數
旋轉方向CW 
選項單圈 

Performance

Performance價值
Radial Bearing, Max Load at Max RPM63 磅力
RPM, Max500 轉每分
靜態力矩63 磅力
靜態力矩500 in-lbs

Get Quote

*Please fill out the information below so we can best assist you:

您想定期收到湯姆森電子郵件更新,包括應用故事,在線培訓的機會,新產品信息和鏈接在線設計工具。